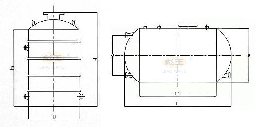
| 容积(m3) | 立式 | 卧式 | ||||||
| 外径D | 总高H | 桶身高h | 壁厚 | 外径D | 总长 | 桶身长L1 | 壁厚 | |
| 1 | 1000 | 1890 | 1540 | 15 | ||||
| 3 | 1370 | 2610 | 2220 | 15 | ||||
| 5 | 1600 | 2840 | 2250 | 15 | 1600 | 3210 | 2310 | 18 |
| 8 | 2200 | 2840 | 2340 | 15 | ||||
| 10 | 2200 | 3260 | 2800 | 18 | 1600 | 5840 | 4940 | 18 |
| 15 | 2620 | 3630 | 2920 | 20 | 2150 | 5910 | 3930 | 22 |
| 20 | 2620 | 4600 | 3900 | 22 | 2150 | 6280 | 5300 | 22 |
| 25 | 2620 | 5200 | 4100 | 24 | ||||
| 30 | 3000 | 5300 | 4540 | 25 | 2620 | 5200 | 5100 | 28 |
| 40 | 3200 | 5980 | 5290 | 30 | ||||
| 45 | 3200 | 6810 | 5330 | 30 | ||||
| 50 | 3350 | 6640 | 5850 | 32 | 3200 | 7370 | 5890 | 32 |
| 60 | 3350 | 7810 | 7020 | 35 | 3350 | 8030 | 6370 | 32 |
| 80 | 3350 | 10155 | 8490 | 35 | ||||



钢塑复合(钢衬塑)产品介绍
将钢网焊接于钢体表面,以聚乙烯为原料,采用旋塑工艺(一次整体)成型于钢体表面。钢、网、塑复合形成一个整体,这种钢塑复合材料具有特殊的化学物理性能。
钢塑复合(钢衬塑)产品一般由桶身、平底、封顶、人孔、进料口法兰、出料口法兰和液位孔口法兰组成,卧式钢衬塑贮罐通常还有标准钢质支座。钢塑复合产品一般根据用户要求,设计制造。
塑钢塑多层复合罐
产品衬面平整、光滑、坚固,与传统的钢衬塑、钢衬玻璃相比,具有良好的耐腐蚀、耐磨损、寿命长等优点,是装运腐蚀液体的理想产品,在化工、稀土、冶金、农药等行业,用作90℃以下的低压罐、真空罐、反应釜、交换柱等,深受用户欢迎。

