桨式 79标 I型
79标尺寸表 mm
| 规格 | φ×S | H | H1 | H2 | D | t | t1 | d | M1 | M2 | L1 | L2 | L3 |
| 50L | 40×4.5 | 830 | 40 | 70 | 300 | 38 | 20 | 30 | 39×3-左 | 24 | 18 | 35 | 33 |
| 100L | 40×4.5 | 960 | 40 | 70 | 300 | 38 | 20 | 30 | 39×3-左 | 24 | 18 | 35 | 33 |
| 200L | 50×4.5 | 1200 | 50 | 80 | 400 | 46 | 25 | 39 | 48×3-左 | 33 | 20 | 35 | 44 |
| 300L | 65×5 | 1350 | 80 | 100 | 500 | 60 | 30 | 39 | 48×3-左 | 33 | 20 | 35 | 47 |
| 500L | 65×5 | 1540 | 80 | 100 | 500 | 60 | 30 | 39 | 48×3-左 | 33 | 20 | 35 | 47 |
| 1000L | 80×6 | 1840 | 115 | 120 | 700 | 86 | 43 | 50 | 64×4-左 | 42 | 20 | 45 | 53 |
| 1500L | 80×6 | 2092 | 115 | 120 | 700 | 86 | 43 | 50 | 64×4-左 | 42 | 20 | 45 | 53 |
| 2000L | 80×6 | 2430 | 115 | 135 | 700 | 86 | 43 | 50 | 64×4-左 | 42 | 20 | 45 | 53 |
| 3000L | 95×8 | 2500 | 125 | 135 | 800 | 94 | 50 | 60 | 76×4-左 | 52 | 28 | 50 | 58 |
| 5000L | 95×8 | 3000 | 125 | 150 | 850 | 94 | 50 | 60 | 76×4-左 | 52 | 28 | 50 | 58 |
| 5000L | 95×8 | 3160 | 125 | 150 | 900 | 94 | 50 | 60 | 90×4-左 | 64 | 28 | 65 | 65 |
69标尺寸表 mm
| 规格 | φ×S | H | H1 | H2 | H3 | B | R1 | R2 | t1 | t | M1 | L |
| 50L | 42×6 | 724 | 60 | 190 | 225 | 400 | 397 | 127 | 50 | 28 | 33×2 | 60 |
| 100L | 42×6 | 855 | 60 | 245 | 280 | 480 | 480 | 167 | 50 | 28 | 33×2 | 60 |
| 200L | 50×6 | 1145 | 80 | 280 | 330 | 560 | 496 | 206 | 62 | 30 | 42×3 | 55 |
| 300L | 50×8 | 1250 | 80 | 320 | 370 | 640 | 566 | 206 | 62 | 30 | 42×3 | 55 |
| 500L | 60×8 | 1480 | 90 | 450 | 530 | 690 | 712 | 247 | 70 | 42 | 48×3 | 65 |
| 1000L | 70×8 | 1790 | 90 | 460 | 560 | 920 | 813 | 288 | 81.5 | 42 | 60×4 | 80 |
| 1500L | 76×8 | 2010 | 95 | 520 | 640 | 1040 | 919 | 313 | 96.5 | 40 | 68×4 | 80 |
| 2000L | 89×8 | 2110 | 100 | 600 | 745 | 1160 | 1010 | 365 | 108 | 55 | 78×4 | 90 |
| 3000L | 89×8 | 2720 | 100 | 600 | 745 | 1160 | 1010 | 365 | 108 | 55 | 78×4 | 90 |
| 5000L | 95×8 | 3000 | 120 | 750 | 910 | 1420 | 1281 | 391 | 115 | 60 | 85×4 | 95 |
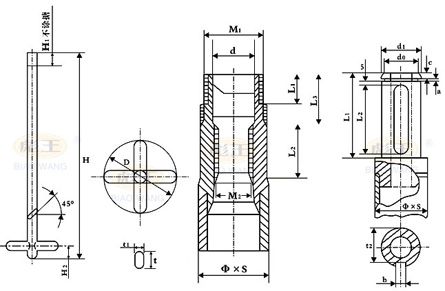
Ⅰ型尺寸表 mm
| 规格 | φ×S | H | H2 | D | t | t1 | t2 | d1 | d0 | L1 | L2 | a | b | t2 | c |
| 6300L | 95×8 | 3500 | 135 | 720 | 115 | 60 | 60 | 70 | 60 | 130 | 100 | 8 | 20 | 62.5 | 7 |
| 8000L | 95×8 | 3600 | 135 | 880 | 115 | 60 | 60 | 70 | 60 | 130 | 100 | 8 | 20 | 62.5 | 7 |
| 10000L | 110×10 | 3780 | 155 | 980 | 132 | 70 | 70 | 90 | 80 | 170 | 140 | 10 | 25 | 80 | 8 |
| 12500L | 110×10 | 4290 | 155 | 980 | 132 | 70 | 70 | 90 | 80 | 170 | 140 | 10 | 25 | 81 | 8 |
| 16000L | 125×10 | 4580 | 175 | 980 | 153 | 76 | 76 | 90 | 80 | 170 | 140 | 10 | 25 | 81 | 8 |
| 20000L | 140×12 | 4860 | 175 | 1080 | 170 | 80 | 80 | 90 | 80 | 170 | 140 | 10 | 25 | 81 | 8 |
布尔马金式、开启涡轮式、推进式搅拌及非标定制

