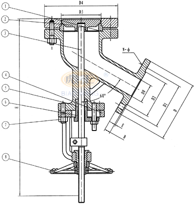
上展式放料阀
| 阀门主要性能规范表 | |
| 公称压力 | 1.6MPa |
| 壳体试验 | 2.4MPa |
| 密封试验 | 1.76MPa |
| 适用温度 | ≤200℃ |
| 适用介质 | 醋酸等 |
放料阀技术要求
1、阀门设计与制造标准:GB/T12235。
2、结构长度标准:企业标准。
3、法兰标准:JB/T79。
4、检验试验标准:JB/T9092。
| 5 | 填料 | PTFE | |||
| 4 | 支架 | ZG0Cr18Ni9 | |||
| 3 | 阀杆 | 0Cr18Ni9 | 8 | 手轮 | KTH200 |
| 2 | 阀瓣 | 0Cr18Ni9 | 7 | 螺栓 | 0Cr18Ni9 |
| 1 | 阀体 | ZG0Cr18Ni9 | 6 | 填料压盖 | ZG0Cr18Ni9 |
| DN | D | D1 | D2 | D3 | D4 | B | E | N-Ф | H |
| 50 | 160 | 125 | 100 | 70 | 160 | 16 | 3 | 4-18 | 395 |
| 65 | 180 | 145 | 120 | 85 | 180 | 18 | 3 | 4-18 | 490 |
| 80 | 195 | 160 | 135 | 95 | 195 | 20 | 3 | 8-18 | 500 |
| 100 | 215 | 180 | 155 | 130 | 215 | 20 | 3 | 8-18 | 590 |
| 125 | 245 | 210 | 185 | 140 | 245 | 22 | 3 | 8-18 | 750 |
| 150 | 280 | 240 | 210 | 165 | 280 | 24 | 3 | 8-23 | 800 |
| 200 | 335 | 295 | 265 | 230 | 335 | 26 | 3 | 12-23 | 900 |

